Este carregador é extremamente simples de montar e serve para carregar baterias de 12V. Ele pode ser usado tanto em redes de 110V ou 220V. Por ser um carregador lento ele leva 24 horas para dar carga suficiente para a partida do veículo e até 72 horas para carregar completamente uma bateria padrão 12V/40Ah. Pode-se carregar baterias entre 30Ah e 70Ah. Pelo fato da resistência de uma lâmpada ser sua proteção o dispositivo é extremamente robusto.
Material necessário:
1) 1 soquete de lâmpadas de porcelana.
2) 1 tomada comum.
3) 1 mts de cabo 2,5mm, vermelho.
4) 1 mts de cabo 2,5mm, preto.
5) 2 mts de cabo parelelo 2,5mm, preto.
6) 1 diodo eletrônico de 1A, recomendado 1N4007(facilmente encontrado em lojas de eletrônica).
7) 1 lâmpada incandescente. Para uso em rede 110V ela deve ter 200W de potência. Para uso em rede 220V ela deve ter 100W de potência.

9) 2 jacarés de fixação, um preto e um azul.
10) 1 base de madeira para fixar o conjunto
Montagem
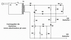
Monte o carregador conforme a figura abaixo, é simples!!! Tome o cuidado de isolar bem todos os pontos do circuito com
fita isolante para evitar acidentes e choques elétrico


Como utilizar o carregador:
Rosqueie a lâmpada, conecte os jacarés nos terminais da bateria e SÓ DEPOIS DISSO, ligue o carregador na tomada. O uso mais eficiente desse carregador, é para baterias de 12V de tensão e entre 30Ah e 70Ah.
O carregador não avisa quando a bateria está com a carga completa, porém não há problema algum, pois quando a bateria está totalmente carregada, o carregador não conseguirá enviar carga para ela. Então não se esqueça: CARGA PARA PARTIDA depois de 24 HORAS, CARGA TOTAL depois de 72 HORAS. Para saber se o carregador está funcionando verifique se a lâmpada piloto está acendendo com um tom bem mais fraco que o normal. Se ela nem sequer acender é porque o carregador não está funcionando. Possível causa: ligação invertida do diodo.