URGENTE, Regulador de pressão

Dúvidas sobre manutenção
Regras do Fórum
Para saber como postar imagens entre aki: http://www.mx3zone.com/Forums/viewtopic ... 5872#p5872

Re: URGENTE, Regulador de pressão

Mensagempor David Farina » Qua Nov 11, 2009 8:29 am

Igor, aqui tem um post com dicas de como regular o distribuidor + entrada de ar...
atlvez seja seu caso, se já não tiverem o feito

http://mx3zone.com/Forums/viewtopic.php?f=11&t=2795

meus fones vou te passar por MP, mas, já aviso que essa semana vc n me acha em casa, tenho trampo das 8 as 24 em media a semana toda :(
Avatar de usuário
David Farina
Moderador
Moderador
 
Mensagens: 1799
Idade: 43
Registro: 28/04/2009
Localização: Presidente Prudente (Oeste Paulista)
MX-3: Já tive um!
Cor do MX-3: Branco - Chaste White - PT

Re: URGENTE, Regulador de pressão

Mensagempor Miguelitto » Qua Nov 11, 2009 8:35 am

tente ver se naum eh o MAF ou o chicote tb!?!?
já viu se eh a bomba de combustivel?!
"I Fell Need........Need for Speed!!!"
"Never run faster than your angel can fly! ........ My angel has NOS!!!"
"I like mine with no shine!!!"
Imagem
Meu carro -> viewtopic.php?f=25&t=2494
Avatar de usuário
Miguelitto
Site Admin
Site Admin
 
Mensagens: 4663
Idade: 39
Registro: 21/07/2006
Localização: SP - Ipiranga
MX-3: 1.6 16v DOHC
Cor do MX-3: Vermelho - Blaze Red - SQ

Re: URGENTE, Regulador de pressão

Mensagempor David Farina » Qua Nov 11, 2009 8:40 am

entao, Miguelitto, mas, só quando esquenta ?
qdo o MAF d´aproblema o carro nao fica constantemente ruim ?


meu carro fica com a rotação maluca quando eu ligo muitos dispositivos elétricos (ex: farol + milha + ar, se ligar este conjunto o carro fica indirigível)
Avatar de usuário
David Farina
Moderador
Moderador
 
Mensagens: 1799
Idade: 43
Registro: 28/04/2009
Localização: Presidente Prudente (Oeste Paulista)
MX-3: Já tive um!
Cor do MX-3: Branco - Chaste White - PT

Re: URGENTE, Regulador de pressão

Mensagempor Miguelitto » Qua Nov 11, 2009 12:20 pm

hauhauhauhauahuahauha
tipo quele filme de um carro q eh ambulacia e tem vontade propria(naum lembro o nome do filme)

Hmmm(mão no queixo)
Verdade hein!!!!
"I Fell Need........Need for Speed!!!"
"Never run faster than your angel can fly! ........ My angel has NOS!!!"
"I like mine with no shine!!!"
Imagem
Meu carro -> viewtopic.php?f=25&t=2494
Avatar de usuário
Miguelitto
Site Admin
Site Admin
 
Mensagens: 4663
Idade: 39
Registro: 21/07/2006
Localização: SP - Ipiranga
MX-3: 1.6 16v DOHC
Cor do MX-3: Vermelho - Blaze Red - SQ

Re: URGENTE, Regulador de pressão

Mensagempor David Farina » Qua Nov 11, 2009 1:12 pm

ambulancia maluca !
meu mx jah eh branco ! aheuhauehuahe
Avatar de usuário
David Farina
Moderador
Moderador
 
Mensagens: 1799
Idade: 43
Registro: 28/04/2009
Localização: Presidente Prudente (Oeste Paulista)
MX-3: Já tive um!
Cor do MX-3: Branco - Chaste White - PT

Re: URGENTE, Regulador de pressão

Mensagempor LOPEZ.COMZ » Qua Nov 11, 2009 6:41 pm

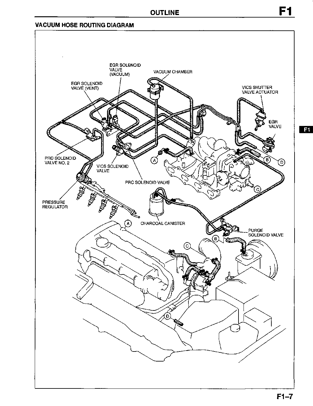
vai ai o esquema de ligação das mangueiras do regulador de pressão , obrigado pela dica miguelitto
Anexos
F1-007.GIF
espero que ajude, valeu..
LOPEZ.COMZ
 

Re: URGENTE, Regulador de pressão

Mensagempor Igor Lins » Qua Nov 11, 2009 9:36 pm

Valeu Miguelitto, Farina, Lopez!!!
Já tentamos regular a mistura e o ponto do distribuidor, não adiantou.
Estamos trabalhando no MAF. Tem como testar se ele tá ok, sem rastreador? existe algum similar(só pra teste).
Miguelitto, você fala no chicote, qual a função e o que acontece se ele não tá ok??? a bomba já foi testada e tá primeira!!!

Desculpem o enchimento de saco, mas é que fica difícil mexer no carro sem um mecânico especializado em mazda, apesar que o meu é muito competente, mas não havia mexido ainda em mazda, e sem ter o rastreador de sensores aí complica mais ainda. Mas chegaremos lá, com paciência e a ajuda de vocês.
O mazda merece.
Um abraço,
Igor
Imagem
Avatar de usuário
Igor Lins
Membro
Membro
 
Mensagens: 61
Idade: 34
Registro: 01/11/2009
Localização: Recife-PE
MX-3: 1.6 16v DOHC
Cor do MX-3: Vermelho - Blaze Red - SQ

Re: URGENTE, Regulador de pressão

Mensagempor Paulo » Qua Nov 11, 2009 10:46 pm

Igor, o MAF quando defeituoso, deixa o carro sem força, ele não desenvolve, a marcha lenta fica ruim,vc praticamente não consegue passar de 70km/h, estando ele frio ou quente. Vc diz que teu carro fica com a lenta oscilando após esquentar, desconfio que possa ser a regulagem do sensor borboleta, que é muito simples mas bastante sensível. Existe um tópico aqui no site que ensina a fazer essa regulagem com a ajuda de um multimetro. De volta ao MAF verifique se seu carro tem os sintomas acima e depois faça mais um teste, desconectando a tomada dele, se ele piorar não é MAF, se ficar igual pode ser, o bom seria ter o scanner com o software Mazda.
Já estava esquecendo, antes de fazer qualquer teste verifique se a ligação das magueiras do regulador de pressão estão corretas e também a pressão da linha de combustíve (bomba de combustível e regulador de pressão) pois ao esquentar ela pode ter uma queda de pressão, ocasionando o problema descrito.
Avatar de usuário
Paulo
Moderador
Moderador
 
Mensagens: 972
Idade: 61
Registro: 07/06/2008
Localização: Rio de Janeiro/RJ
MX-3: 1.8 V6 24v DOHC
Cor do MX-3: Cereja - Raspberry Metallic - 6V

Re: URGENTE, Regulador de pressão

Mensagempor Igor Lins » Qui Nov 12, 2009 7:49 am

Obrigado Paulo,.
Vou passar as orientações para o mecânico. Valeu meu caro!!! Depois eu digo como ficou.
Um abraço,
Igor
Imagem
Avatar de usuário
Igor Lins
Membro
Membro
 
Mensagens: 61
Idade: 34
Registro: 01/11/2009
Localização: Recife-PE
MX-3: 1.6 16v DOHC
Cor do MX-3: Vermelho - Blaze Red - SQ

Re: URGENTE, Regulador de pressão

Mensagempor David Farina » Qui Nov 12, 2009 8:46 am

achei o tópico de regulagem de lenta, segue abaixo:

-com o carro já funcionando em sua temperatura normal, desligue-o;
-do lado direito superior, acima da bateria mais ou menos, existe uma caixinha preta escrita "DIAGNOSTIC"(ou algo assim)...
-abra a tampinha..nela tem um diagrama do q cada terminal significa...vc tem q conectar um jumper (um pedaço de fio grosso se vc não tiver um "real") entre os terminais GND e TEN
Imagem
-ligue o carro, com o jumper conectado, e certifique-se de q a ventoinha do radiador NÃO esteja funcionando;
-a marcha-lenta deve estar entre 750-850RPM;
-caso não esteja, vc vai pegar uma chave de fenda e virar cuidadosamente um parafuso (chamado de AAS - air adjusting screw ou, parafuso de ajuste do ar)...e girar ele (sentido horário fecha, sentido anti-horário abre)...nisso vc vai checando a rotação até chegar no estabelecido acima...
Imagem

Depois é só desconectar o jumper...a rotação vai cair, e SEM estar no modo de diagnóstico (SEM o jumper), deve ficar entre 650 e 750RPM.

Só isso...have fun!


mas... a dica de regular o TPS com multímetro está dando 'page not found', ou seja, já era, tem que garimpar atrás dela... não achei em nenhul local re-escrita aqui no fórum :(

link base: http://mx3zone.com/Forums/viewtopic.php?f=11&t=43
Avatar de usuário
David Farina
Moderador
Moderador
 
Mensagens: 1799
Idade: 43
Registro: 28/04/2009
Localização: Presidente Prudente (Oeste Paulista)
MX-3: Já tive um!
Cor do MX-3: Branco - Chaste White - PT

Re: URGENTE, Regulador de pressão

Mensagempor Miguelitto » Qui Nov 12, 2009 8:49 am

Esse cris manja viu!!!!
Vo pedir pra ele tentar ver esse topico...
"I Fell Need........Need for Speed!!!"
"Never run faster than your angel can fly! ........ My angel has NOS!!!"
"I like mine with no shine!!!"
Imagem
Meu carro -> viewtopic.php?f=25&t=2494
Avatar de usuário
Miguelitto
Site Admin
Site Admin
 
Mensagens: 4663
Idade: 39
Registro: 21/07/2006
Localização: SP - Ipiranga
MX-3: 1.6 16v DOHC
Cor do MX-3: Vermelho - Blaze Red - SQ

Re: URGENTE, Regulador de pressão

Mensagempor David Farina » Qui Nov 12, 2009 8:58 am

eu to no mx-3.com vendo se acho algo :)
mas sempre q eu entro lah eu abro um monte de topicos e fico lendo :) ateh perco a hora ^^
Avatar de usuário
David Farina
Moderador
Moderador
 
Mensagens: 1799
Idade: 43
Registro: 28/04/2009
Localização: Presidente Prudente (Oeste Paulista)
MX-3: Já tive um!
Cor do MX-3: Branco - Chaste White - PT

Re: URGENTE, Regulador de pressão

Mensagempor LOPEZ.COMZ » Qui Nov 12, 2009 11:31 am

pessoal eu tenho o esquema de injeção todo do carro porem esta em ingles, so que o arquivo e muito grande e não tem como enviar por aqui, quem quizer manda o email que eu envio o esquema.esta pagina diz como testar o sensor M.A.F.(tensão e resistencia).Em relação ao defeito citado vou dar o meu palpite de curioso, nâo poderia ser a sonda lambda..
Anexos
F1-160.GIF
LOPEZ.COMZ
 

Re: URGENTE, Regulador de pressão

Mensagempor Miguelitto » Qui Nov 12, 2009 12:04 pm

Lopexz o arquivo q vc tem eh esse!?!?
http://mx3zone.com/modules.php?name=Dow ... load&cid=6 (2ª opção)
"I Fell Need........Need for Speed!!!"
"Never run faster than your angel can fly! ........ My angel has NOS!!!"
"I like mine with no shine!!!"
Imagem
Meu carro -> viewtopic.php?f=25&t=2494
Avatar de usuário
Miguelitto
Site Admin
Site Admin
 
Mensagens: 4663
Idade: 39
Registro: 21/07/2006
Localização: SP - Ipiranga
MX-3: 1.6 16v DOHC
Cor do MX-3: Vermelho - Blaze Red - SQ

Re: URGENTE, Regulador de pressão

Mensagempor AndersonR » Qui Nov 12, 2009 2:11 pm

cara, uma coisa que resolveu esse problema do meu carro foi a limpeza e ajuste do TBI....

eu tinha feito um topico sobre isso : viewtopic.php?f=11&t=2336
Imagem
1º MX-3 94 White 1.6 - Totaled !
2º MX-3 94 White 1.6 - 929 swap !
3º MX-3 94 Black V6 Turbo - Turbo !

Anderson R
e-mail: anderson@mx3zone.com
Avatar de usuário
AndersonR
Site Admin
Site Admin
 
Mensagens: 1861
Idade: 42
Registro: 07/03/2008
Localização: São Paulo
MX-3: 1.8 V6 24v DOHC
Cor do MX-3: Preto - Brilliant Black - PZ

AnteriorPróximo

Retornar para Manutenção

Quem está online

Usuários vendo este fórum: Nenhum usuário registrado online e 1 visitante

cron