Buchas do Trambulador

Dúvidas sobre manutenção
Regras do Fórum
Para saber como postar imagens entre aki: http://www.mx3zone.com/Forums/viewtopic ... 5872#p5872

Re: Buchas do Trambulador

Mensagempor Lukasma » Sáb Mar 23, 2013 7:29 pm

Vlw... eu acabei fazendo as buchas, ele simplesmente voltou a ficar zero! Ponto morto sem folga total, agora vamos ver quanto tempo vai durar! ushsu, vlw a todos
Avatar de usuário
Lukasma
Membro
Membro
 
Mensagens: 54
Idade: 35
Registro: 02/06/2008
Localização: São Miguel Arcanjo/SP
MX-3: 1.6 16v DOHC
Cor do MX-3: Branco - Chaste White - PT

Re: Buchas do Trambulador

Mensagempor PedroKrichaki » Ter Mar 26, 2013 7:57 am

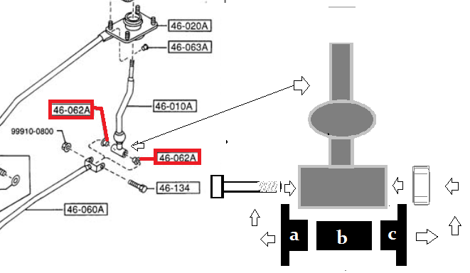
Alguem disponibiliza os desenhos com as medidas ou mesmo só as medidas ??

Valeu galera
Avatar de usuário
PedroKrichaki
Amigo
Amigo
 
Mensagens: 29
Idade: 31
Registro: 11/12/2012
Localização: Campo Largo
MX-3: 1.6 16v DOHC
Cor do MX-3: Verde - Sparkle Green Metallic - 11R

Re: Buchas do Trambulador

Mensagempor GilbertPink » Sex Dez 19, 2014 2:44 pm

è este do anúncio?
http://produto.mercadolivre.com.br/MLB-607562766-kit-trambulador-corcel-7882-_JM :D

Será que da prá fazer em casa então "how to" quem já fez . Abs :D

Imagem
Anexos
1aqw.jpg
trambulador.png
Editado pela última vez por GilbertPink em Sáb Jan 03, 2015 11:08 am, em um total de 1 vez.
Imagem
Avatar de usuário
GilbertPink
Amigo
Amigo
 
Mensagens: 269
Idade: 60
Registro: 29/01/2012
Localização: Porto Alegre
MX-3: 1.6 16v DOHC
Cor do MX-3: Branco - Chaste White - PT

Re: Buchas do Trambulador

Mensagempor gertz » Qui Jan 01, 2015 4:25 pm

Como diriam os Tele Tubes: "DINOVOOOOO..."
"Para ganhar velocidade, adicione leveza.” Colin Chapman.
Avatar de usuário
gertz
Amigo
Amigo
 
Mensagens: 397
Idade: 63
Registro: 01/09/2011
Localização: Porto Alegre
MX-3: 1.6 16v DOHC
Cor do MX-3: Prata - Silver Stone Metallic - 3L

Anterior

Retornar para Manutenção

Quem está online

Usuários vendo este fórum: Nenhum usuário registrado online e 1 visitante

cron