Solenóide ou Automático MX-3 - [Substituído!]

Dúvidas sobre manutenção
Regras do Fórum
Para saber como postar imagens entre aki: http://www.mx3zone.com/Forums/viewtopic ... 5872#p5872

Solenóide ou Automático MX-3 - [Substituído!]

Mensagempor deepbluemx3 » Qua Abr 20, 2011 9:14 pm

-Meus amigos, venho aqui pedir a ajuda de vcs, alguém sabe qual o solenóide, ou automático do motor de partida, tb conhecido como "Bendix", que serve no MX-3 1.6 16V DOHC? Meu carro tá fazendo aquele barulho de arranhado quando aciono o motor de partida, quem tiver alguma informação por favor me ajude, serve o número da peça, o equivalente de algum outro carro, de preferência se vc já passou por esse problema e conseguiu resolver !!! :(
Abraço!!! :D
Paixão pelo Mazda MX-3 !
Imagem
Meu MX-3 detonando!
Avatar de usuário
deepbluemx3
Moderador
Moderador
 
Mensagens: 4078
Idade: 59
Registro: 10/02/2007
Localização: Americana-SP
MX-3: 1.6 16v DOHC
Cor do MX-3: Verde - Noble Green - VQ

Re: Solenóide ou Automático MX-3 - Socorro Galera!

Mensagempor alexandre levy » Qua Abr 20, 2011 9:28 pm

blz deep !!! eu achei esse assunto sobre o bendix no outro clube .......

Caro Amigo
O bendix separadamente não existe novo
A ZEN vende um que é parecido, porem ele não se encaixa no eixo do
induzido Usado fica muito dificil
Se vc. quizer o motor de arranque revisado a base de troca
com garantia de 06 meses, é só entrar em contato
xepinha edvaldo

abraços amigo teu mx3 tá show :roll:
Avatar de usuário
alexandre levy
Membro
Membro
 
Mensagens: 1033
Idade: 61
Registro: 02/06/2009
Localização: PRAIA GRANDE - litoral
MX-3: 1.6 16v DOHC
Cor do MX-3: Azul - Creek Blue Mica - D2

Re: Solenóide ou Automático MX-3 - Socorro Galera!

Mensagempor AndersonR » Qua Abr 20, 2011 9:54 pm

fala ae Deep....

o meu quando começou a fazer esse barulho, foi só desmontar ele e dar uma limpada e lubrificada, principalemnte no eixo do pinhão.........

depois que eu fiz isso ficou zero !!.....e ja fazem 2 anos !!! ....qualquer coisa da um toque ai !
Imagem
1º MX-3 94 White 1.6 - Totaled !
2º MX-3 94 White 1.6 - 929 swap !
3º MX-3 94 Black V6 Turbo - Turbo !

Anderson R
e-mail: anderson@mx3zone.com
Avatar de usuário
AndersonR
Site Admin
Site Admin
 
Mensagens: 1861
Idade: 42
Registro: 07/03/2008
Localização: São Paulo
MX-3: 1.8 V6 24v DOHC
Cor do MX-3: Preto - Brilliant Black - PZ

Re: Solenóide ou Automático MX-3 - Socorro Galera!

Mensagempor deepbluemx3 » Qui Abr 21, 2011 9:42 am

alexandre levy escreveu:blz deep !!! eu achei esse assunto sobre o bendix no outro clube .......

Caro Amigo
O bendix separadamente não existe novo
A ZEN vende um que é parecido, porem ele não se encaixa no eixo do
induzido Usado fica muito dificil
Se vc. quizer o motor de arranque revisado a base de troca
com garantia de 06 meses, é só entrar em contato
xepinha edvaldo

abraços amigo teu mx3 tá show :roll:

Valeu Levy, ontem passei o rá dio pra ele, e me disse que tem o solenoide novo,
na segunda falo com ele.obrigado.
AndersonR escreveu:fala ae Deep....

o meu quando começou a fazer esse barulho, foi só desmontar ele e dar uma limpada e lubrificada, principalemnte no eixo do pinhão.........

depois que eu fiz isso ficou zero !!.....e ja fazem 2 anos !!! ....qualquer coisa da um toque ai !

Então Ander, o carro está no eletricista aqui da loja, mas ele me disse que teria que trocar mesmo...
Só vou poder ver isso com ele na segunda...
Em princípio ele me disse que faria isso, limpar e lubrificar, vou dar uma cobrada nele nesse sentido, e confirmar com o xepa se ele realmente tem a peça nova, aí decido o que fazer.
Obrigado.Abraço!
Paixão pelo Mazda MX-3 !
Imagem
Meu MX-3 detonando!
Avatar de usuário
deepbluemx3
Moderador
Moderador
 
Mensagens: 4078
Idade: 59
Registro: 10/02/2007
Localização: Americana-SP
MX-3: 1.6 16v DOHC
Cor do MX-3: Verde - Noble Green - VQ

Re: Solenóide ou Automático MX-3 - Socorro Galera!

Mensagempor AndersonR » Sex Abr 22, 2011 10:41 pm

antes de lubrificar o meu motor de arranque, por curiosidade, levei em alguns mecanicos e eletricistas pra saber o que falavam................todos falaram que não tinha jeito !!!.. só trocando..........
Imagem
1º MX-3 94 White 1.6 - Totaled !
2º MX-3 94 White 1.6 - 929 swap !
3º MX-3 94 Black V6 Turbo - Turbo !

Anderson R
e-mail: anderson@mx3zone.com
Avatar de usuário
AndersonR
Site Admin
Site Admin
 
Mensagens: 1861
Idade: 42
Registro: 07/03/2008
Localização: São Paulo
MX-3: 1.8 V6 24v DOHC
Cor do MX-3: Preto - Brilliant Black - PZ

Re: Solenóide ou Automático MX-3 - Socorro Galera!

Mensagempor deepbluemx3 » Seg Abr 25, 2011 5:29 pm

AndersonR escreveu:antes de lubrificar o meu motor de arranque, por curiosidade, levei em alguns mecanicos e eletricistas pra saber o que falavam................todos falaram que não tinha jeito !!!.. só trocando..........

O motor de arranque está perfeito, o problema é só o solenóide, mas ele é blindado, não fica bom recondicionar...
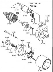
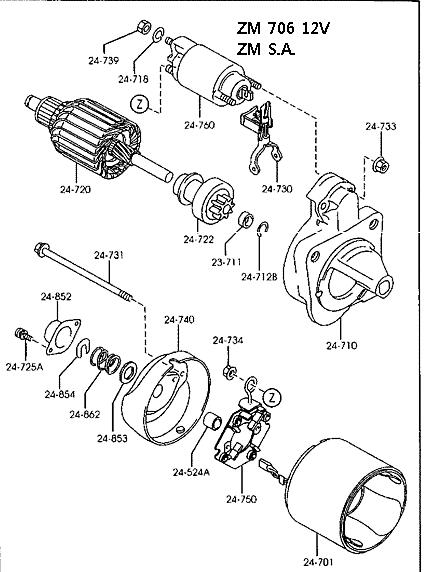
comprei do Xepa e estou aguardando o sedex.mas nas minhas infindáveis pesquissas por "Part Numbers" equivalentes, depois de muito custo descobri o equivalente naciona, devidamente postado nas peças equivalentes(post), é o ZM706(mx-3 1.6), fabricado pela ZM S.A., porém não o encontrei à venda :( , então comprei o importado com o Xepa.
Segue anexo a documentação do ZM706, podem comparar o croqui com a peça real... :D
Abraço.
Anexos
ZM_706[1].pdf
(32.88 KiB) Baixado 333 vezes
SoleideMX3ZM706.jpg
Paixão pelo Mazda MX-3 !
Imagem
Meu MX-3 detonando!
Avatar de usuário
deepbluemx3
Moderador
Moderador
 
Mensagens: 4078
Idade: 59
Registro: 10/02/2007
Localização: Americana-SP
MX-3: 1.6 16v DOHC
Cor do MX-3: Verde - Noble Green - VQ

Re: Solenóide ou Automático MX-3 - Socorro Galera!

Mensagempor deepbluemx3 » Ter Mai 03, 2011 10:01 pm

Galera, depois de 2 semanas na espera chegou meu automático ZM706, isso iclui o feriado e 2 entregas de peças
ERRADAS! :(
E realmente esse é o automático equivalente pro motor DENSO do mx3 1.6, serviu como uma luva! :D
Paixão pelo Mazda MX-3 !
Imagem
Meu MX-3 detonando!
Avatar de usuário
deepbluemx3
Moderador
Moderador
 
Mensagens: 4078
Idade: 59
Registro: 10/02/2007
Localização: Americana-SP
MX-3: 1.6 16v DOHC
Cor do MX-3: Verde - Noble Green - VQ

Re: Solenóide ou Automático MX-3 - Socorro Galera!

Mensagempor Paulo » Ter Mai 03, 2011 10:37 pm

Deep, eu já tinha postado na "compatibilidade de peças" esse automático do motor de arranque. Eu troquei o meu e coloquei um da ZM, se não me engano é o mesmo da L200.
Avatar de usuário
Paulo
Moderador
Moderador
 
Mensagens: 972
Idade: 61
Registro: 07/06/2008
Localização: Rio de Janeiro/RJ
MX-3: 1.8 V6 24v DOHC
Cor do MX-3: Cereja - Raspberry Metallic - 6V

Re: Solenóide ou Automático MX-3 - Socorro Galera!

Mensagempor deepbluemx3 » Ter Mai 03, 2011 11:04 pm

Paulo escreveu:Deep, eu já tinha postado na "compatibilidade de peças" esse automático do motor de arranque. Eu troquei o meu e coloquei um da ZM, se não me engano é o mesmo da L200.

Legal Paulo, eu vi que vc tinha postado isso, mas é que o do mx 1.6(zm706) é diferente do V6(zm698), e é muito difícil de se achar pra comprar o do 1.6, o do v6 não sei se é tb!Valeu pela dica, crédito feito para vc (solenoide V6), no tópico das peças equivalentes! :D
Abraço!
Paixão pelo Mazda MX-3 !
Imagem
Meu MX-3 detonando!
Avatar de usuário
deepbluemx3
Moderador
Moderador
 
Mensagens: 4078
Idade: 59
Registro: 10/02/2007
Localização: Americana-SP
MX-3: 1.6 16v DOHC
Cor do MX-3: Verde - Noble Green - VQ


Retornar para Manutenção

Quem está online

Usuários vendo este fórum: Nenhum usuário registrado online e 1 visitante