Arrumando o Conta Giros que não funciona

Dúvidas sobre manutenção
Regras do Fórum
Para saber como postar imagens entre aki: http://www.mx3zone.com/Forums/viewtopic ... 5872#p5872

Arrumando o Conta Giros que não funciona

Mensagempor fabiocamo » Qui Abr 21, 2022 11:48 am

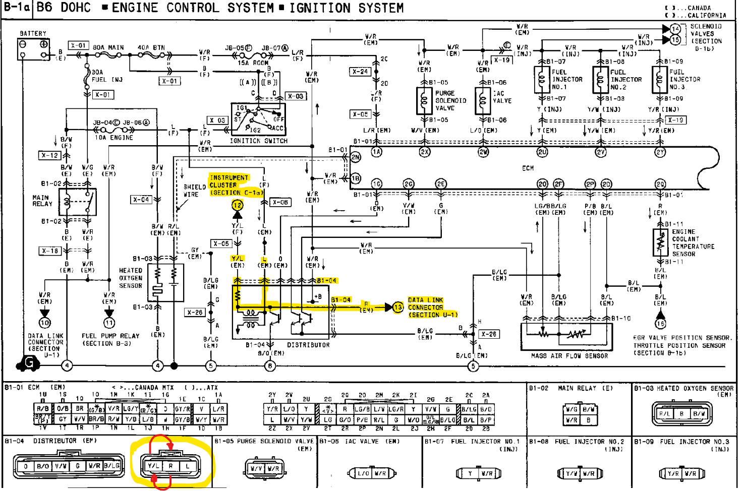
Pessoal, este tutorial é apenas para quem realizou a troca do distribuidor ou da bobina velha por uma nova, onde antes da troca o conta giros funcionava normalmente e após a troca, ele para de funcionar!
Estou deixando isto bem claro, pois não me responsabilizo por eventuais problemas.
Vale tanto para Mx3 1.6 quanto para 1.8, mas este tutorial vou usar o esquema elétrico do 1.6, para o 1.8, basta o dono do carro procurar os mesmos fios que estarão com cores diferentes)
Mas para quem esta nessa situação do conta giros não funcionar após a troca do distribuidor ou da bobina, segue a solução:

1º) Essas peças são feitas na China, e provavelmente foram fabricadas invertidas, para consertar esse problema, deve-se inverter 2 fios no conector da bobina de 3 pinos, onde 1 dos fios é energizado (neste NÃO PODE MEXER), outro fio é o que manda sinal para o conta giros, e outro é o que vai para a caixa de diagnose.

2º) Os fios (Y/L) e (R) estão em inglês, que referem-se às cores "amarelo/ azul" e "vermelho", são esses os fios que deverão ser invertidos conforme a imagem abaixo.

3º) Para os medrosos digo: Se seguir os passos corretamente, não tem como ocorrer nenhum tipo de problema, pois o fio que vai para a caixa de diagnóstico não é energizado, ele é um fio solto, que serve para leitura apenas, assim como o conta giros também faz a leitura do sinal.

4º) Caso o problema não seja resolvido, provavelmente vc deve ter algum outro problema escondido que impede do conta giros funcionar, nesse caso, precisaria verificar se não mexeu em mais nada no carro...
Anexos
arrumando distribuidor do 1.6.png
Avatar de usuário
fabiocamo
Amigo
Amigo
 
Mensagens: 352
Idade: 36
Registro: 28/10/2009
Localização: Sorocaba
MX-3: 1.6 16v DOHC
Cor do MX-3: Preto - Brilliant Black - PZ

Re: Arrumando o Conta Giros que não funciona

Mensagempor Leonardo » Qui Abr 21, 2022 10:01 pm

perfeito!!!! animaal!!! parabéns pela postagem.... já ouvi relatos de alguns que trocaram o distribuidor e parou o conta giros!!

valeu
Imagem
Mazdaspeed
Avatar de usuário
Leonardo
Amigo
Amigo
 
Mensagens: 743
Idade: 36
Registro: 27/10/2008
Localização: São Paulo - SP - Limão
MX-3: 1.6 16v DOHC
Cor do MX-3: Verde - Noble Green - VQ

Re: Arrumando o Conta Giros que não funciona

Mensagempor fabiocamo » Qui Abr 28, 2022 10:58 pm

valew, obrigado! :wink:
Avatar de usuário
fabiocamo
Amigo
Amigo
 
Mensagens: 352
Idade: 36
Registro: 28/10/2009
Localização: Sorocaba
MX-3: 1.6 16v DOHC
Cor do MX-3: Preto - Brilliant Black - PZ


Retornar para Manutenção

Quem está online

Usuários vendo este fórum: Nenhum usuário registrado online e 1 visitante