CONEXÃO ELÉTRICA DA BOBINA DE IGNIÇÃO

Dúvidas sobre manutenção
Regras do Fórum
Para saber como postar imagens entre aki: http://www.mx3zone.com/Forums/viewtopic ... 5872#p5872

CONEXÃO ELÉTRICA DA BOBINA DE IGNIÇÃO

Mensagempor andy » Sáb Fev 26, 2011 8:59 pm

QUAL A SEQUENCIA DE CORES DA FIAÇÃO DA CONEXÃO ELÉTRICA DA BOBINA DE IGNIÇÃO DO MX3 DOHC 1.6?

SE ALGUEM PUDER ME AJUDAR, ABAIXO SEGUE A FOTO DA CONEXÃO E DOS TRES FIOS. ABRAÇO A TODOS

DSC03092.JPG
FOTO DA CONEXÃO E DOS TRES FIOS


DSC03085.JPG
OUTRO ANGULO


POR FAVOR, QUEM PUDER AJUDAR ENVIANDO A ORIENTAÇÃO CONFORME A FOTO DESDE JA AGRADEÇO.
andy
 

Re: CONEXÃO ELÉTRICA DA BOBINA DE IGNIÇÃO

Mensagempor Zangado-RO » Seg Fev 28, 2011 9:45 am

Caro andy, essa dúvida eu já tive e tentei achar uma fotinha se quer na net e não consegui, só resolvi esse dilema indo até outro carro e tirar essa dúvida, que é na seguinte sequencia, tendo como referencia a sua foto para facilitar, o conector montado fica assim fia azul (frente do carro) vermelho (no meio) e laranja (para traz) essas cores original do conector, o fio que deveria ser laranja no seu conector para mim aparece amarelo, mas não tem erro faz assim e teste. Boa sorte.

Abraço do Zangado.
Zangado-RO
Amigo
Amigo
 
Mensagens: 29
Idade: 52
Registro: 31/07/2010
Localização: Rio das Ostra RJ
MX-3: 1.6 16v DOHC
Cor do MX-3: Branco - Chaste White - PT

Re: CONEXÃO ELÉTRICA DA BOBINA DE IGNIÇÃO

Mensagempor tomazela » Seg Fev 28, 2011 7:01 pm

Cuidado que com o ano do veículo, muda as cores dos fios.

Já me ferrei por causa disso.
Avatar de usuário
tomazela
Membro
Membro
 
Mensagens: 235
Idade: 35
Registro: 23/09/2009
Localização: Sorocaba/Conchas
MX-3: 1.8 V6 24v DOHC
Cor do MX-3: Preto - Brilliant Black - PZ

Re: CONEXÃO ELÉTRICA DA BOBINA DE IGNIÇÃO

Mensagempor andy » Ter Mar 01, 2011 2:37 am

Valeu galera !!! Bem, realmente acredito que esteja na hora de começarmos a montar um arsenal em fotos e vídeos de pequenos detalhes que faltam sobre nossos mx3. Há um ano estou fazendo a mecânica do meu e tudo começou, justamente por causa de uma bobina queimada por falta de um capacitor que nem imaginava que existia. E olha que foram buscas e mais buscas na net sobre como era ele. Primeiro a bobina queimou e ja tava tudo errado, sem conector e fios colados com cola quent5e. ai mexe, acha um vazamento daqui, um bico dali que nao é dali e ai vai desmontando, enfim, o motor foi feito completamente graça ao nosso sagrado MANUAL de MANUTENÇÃO..rs.
Então gente, para completar a questão da minha dúvida, o ano do meu mx é 1995. Será que tem diferença com relação a cor dos fios?
Por enquanto um forte e caloroso abraço e muiiiito obrigado de coração !!! valeu.
andy
 

Re: CONEXÃO ELÉTRICA DA BOBINA DE IGNIÇÃO

Mensagempor deepbluemx3 » Ter Mar 01, 2011 11:19 am

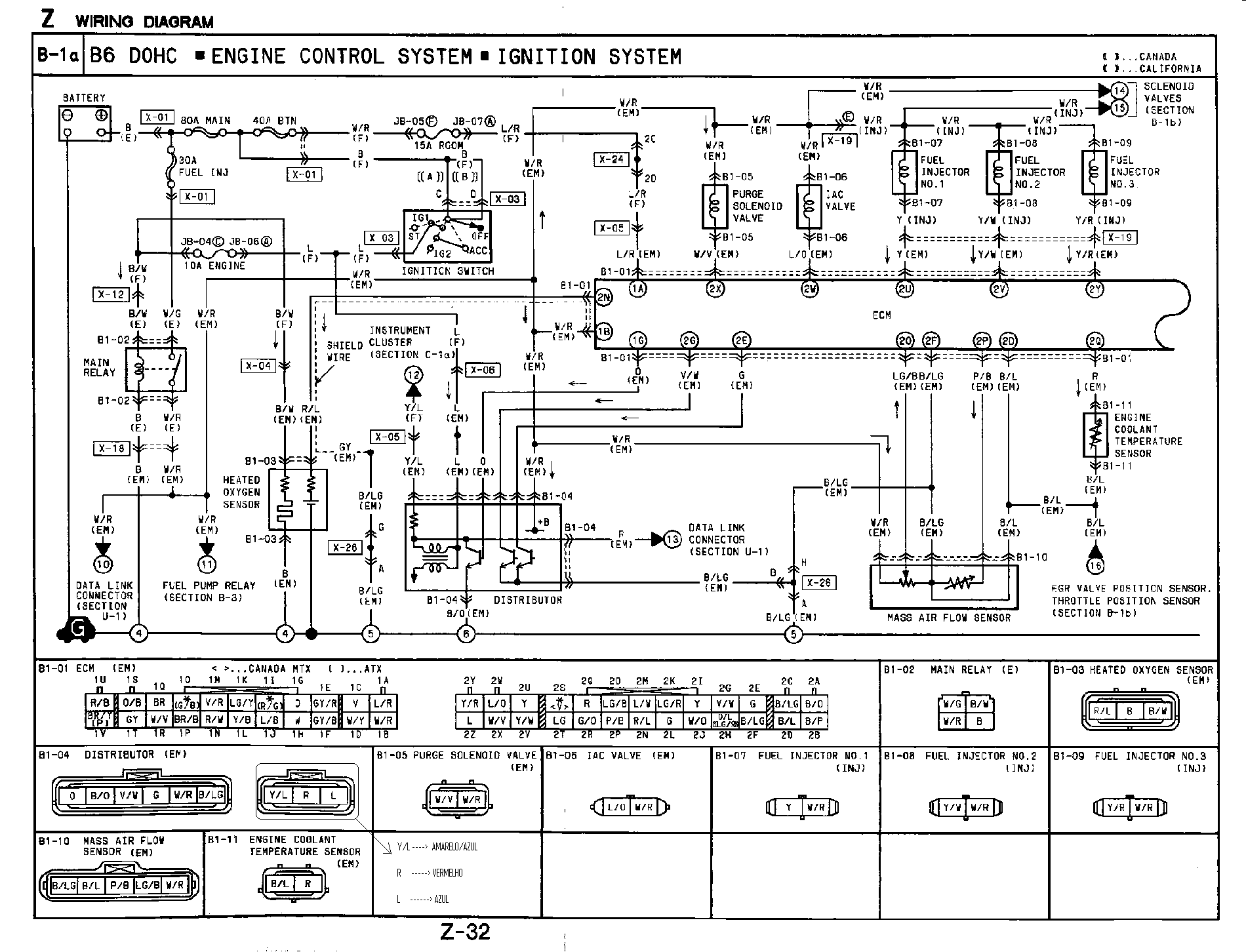
-O Diagrama elétrico para o mx3 1.6 dohc 1995 é esse abaixo(Z32 manual manutenção),
o conector do distribuidor está no canto inferior esquerdo, com o respectivo código de cores dos contatos. :D
Usei sua foto para ilustrar...
Anexos
MX3DiagramaEletrico.GIF
Diagrama Elétrico - Sist Ignição MX-3 1.6 DOHC 1995
fiosdistmx3.JPG
Paixão pelo Mazda MX-3 !
Imagem
Meu MX-3 detonando!
Avatar de usuário
deepbluemx3
Moderador
Moderador
 
Mensagens: 4078
Idade: 59
Registro: 10/02/2007
Localização: Americana-SP
MX-3: 1.6 16v DOHC
Cor do MX-3: Verde - Noble Green - VQ

Re: CONEXÃO ELÉTRICA DA BOBINA DE IGNIÇÃO

Mensagempor andy » Ter Mar 01, 2011 1:22 pm

Caramba gente, sem comentários !!! Se o serviço público no Brasil tivesse a mesma eficácia do MX3ZONE.. esse País seria uma maravilha... Brigado de coração a todos mesmo.. abraços.
andy
 

Re: CONEXÃO ELÉTRICA DA BOBINA DE IGNIÇÃO

Mensagempor LANAILSON » Seg Mar 28, 2011 8:46 pm

preciso do esquema eletrico do mazda mx3 ano 1995,estou com um mazda parado a 4 anos que foi batido se alguém tiver por favor me ajude!!!
LANAILSON
 

Re: CONEXÃO ELÉTRICA DA BOBINA DE IGNIÇÃO

Mensagempor camagno357 » Qui Fev 09, 2012 7:29 am

Bom dia, poderiam me ajudar, quais são as cores dos fios do conector do distribuidor (plug 6 vias)???
Carlos Magno
Mazda 626 GT V6 1993
Avatar de usuário
camagno357
Amigo
Amigo
 
Mensagens: 5
Idade: 52
Registro: 16/12/2011
Localização: Santo André
MX-3: Tenho outro Mazda
Cor do MX-3: Prata - Silver Stone Metallic - 3L

Re: CONEXÃO ELÉTRICA DA BOBINA DE IGNIÇÃO

Mensagempor claudio koelling » Sex Mar 23, 2012 3:13 pm

oi! tenho tudo as cores dos fios e possiçoes ! vou madr para vcs! minha mx ta com a bobina estorada nao to achando ´,parecce que distribuidor ,é do gol g 3 mi ! eu nao estou em casa mas tenho tudo a notado os fios bobina 3 fios e6 fios vou madar quando chegar!!!! valeu
Avatar de usuário
claudio koelling
Amigo
Amigo
 
Mensagens: 4
Idade: 50
Registro: 21/03/2012
Localização: santa cruz do sul rs
MX-3: 1.6 16v DOHC
Cor do MX-3: Preto - Brilliant Black - PZ

Re: CONEXÃO ELÉTRICA DA BOBINA DE IGNIÇÃO

Mensagempor claudio koelling » Sex Mar 30, 2012 9:59 am

alhando distribudor de frente! os fios da bobina sao da esquerda para direita é 1 azul // 2vermelhocom no meio// 3 amrelo fim!!!!!!! e do sensor halls tambem de frente da esqurda para direita o primeiro é preto com listra branco 2vermelho com branco 3verde 4 marron 5 pretocom laranja 6 laranja é isto !!!!
Avatar de usuário
claudio koelling
Amigo
Amigo
 
Mensagens: 4
Idade: 50
Registro: 21/03/2012
Localização: santa cruz do sul rs
MX-3: 1.6 16v DOHC
Cor do MX-3: Preto - Brilliant Black - PZ

Re: CONEXÃO ELÉTRICA DA BOBINA DE IGNIÇÃO

Mensagempor claudio koelling » Sex Mar 30, 2012 10:29 am

gente !to com um pipino na mao ,tenho uma bobina com 3 fios e to colocando de dois fios com sensor halls 6 fios tambem! por aminha bobina tava ruim mas como aqui no interior onde moro nao tem peças dai eu achei uma bobina com dois fios ,tem como eu colocar e como estalar a de doi fios valeu!!!!!!! se tiver alguem que ja fez entao me de uma dica!!!!!abençoado!!!!!!!!
Avatar de usuário
claudio koelling
Amigo
Amigo
 
Mensagens: 4
Idade: 50
Registro: 21/03/2012
Localização: santa cruz do sul rs
MX-3: 1.6 16v DOHC
Cor do MX-3: Preto - Brilliant Black - PZ

Re: CONEXÃO ELÉTRICA DA BOBINA DE IGNIÇÃO

Mensagempor claudio koelling » Ter Abr 03, 2012 1:49 pm

oi galera!! gente tó duente com minha mx3 ! fiz limpeza de bico 2* troquei cabos de vela 3* velas 3limpeza de tamque 4*troca de filtro com. 5*toda eletrica fios e cabos¨6*bobina com sensor hall 7* fuzivel quase todos 8*coloquei gazolina 9* mao pega ! nao passa corrente para bobina o fio azul tem o amrelo com azul nao passa nada ollei amarelo com azul ele vai para um relé do relé central e o azul ate o relé , eno rele tem 4 fios ligado preto com azul preto co vemello o azul amarelo com azul o relé esta bom testei ele testei todos eles nao tem nem um rompido so nao sei com o sensor halls se ele tem diferença e o ditribuidor ele era com duas campana e o novo que eu coloquei e com um disco ! sera que tem diferença em alguma coisa seila sentella da bobina ! aguem pode me ajudar ? obrigado a vcs
Avatar de usuário
claudio koelling
Amigo
Amigo
 
Mensagens: 4
Idade: 50
Registro: 21/03/2012
Localização: santa cruz do sul rs
MX-3: 1.6 16v DOHC
Cor do MX-3: Preto - Brilliant Black - PZ

Re: CONEXÃO ELÉTRICA DA BOBINA DE IGNIÇÃO

Mensagempor Paulo » Qua Abr 04, 2012 8:41 am

Claudio, procure colocar peças próprias p ele, adaptações sempre dão problemas. Procure o Edvaldo da xepa parts; o Celsão e outros vendedores aqui do zone. Eles têm carros desmontados e peças boas usadas e novas.
Avatar de usuário
Paulo
Moderador
Moderador
 
Mensagens: 972
Idade: 61
Registro: 07/06/2008
Localização: Rio de Janeiro/RJ
MX-3: 1.8 V6 24v DOHC
Cor do MX-3: Cereja - Raspberry Metallic - 6V

Re: CONEXÃO ELÉTRICA DA BOBINA DE IGNIÇÃO

Mensagempor Paulo » Qua Abr 04, 2012 8:41 am

Claudio, procure colocar peças próprias p ele, adaptações sempre dão problemas. Procure o Edvaldo da xepa parts; o Celsão e outros vendedores aqui do zone. Eles têm carros desmontados e peças boas usadas e novas.
Avatar de usuário
Paulo
Moderador
Moderador
 
Mensagens: 972
Idade: 61
Registro: 07/06/2008
Localização: Rio de Janeiro/RJ
MX-3: 1.8 V6 24v DOHC
Cor do MX-3: Cereja - Raspberry Metallic - 6V


Retornar para Manutenção

Quem está online

Usuários vendo este fórum: Nenhum usuário registrado online e 1 visitante

cron